Motor stepper E Series Nema 34 Stepper Motor Bipolar 1.8deg 4.8 Nm(679.87oz.in) 6.0A 86x86x80mm 4 Wires pas cu pas 34HE31-6004S

349,00 Lei
Motor stepper E Series Nema 34 Stepper Motor Bipolar 1.8deg 4.8 Nm(679.87oz.in) 6.0A 86x86x80mm 4 Wires pas cu pas 34HE31-6004S
In stoc
Limita stoc
Adauga in cos
Cod Produs: 6427616143848 Ai nevoie de ajutor? 0772210083
Adauga la Favorite Cere informatii
  • Descriere
  • Review-uri (0)

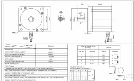
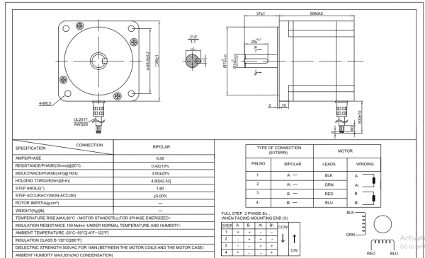
Specificatii:

  • Number of phase: 2
  • Step Angle: 1.8 deg
  • Holding Torque: 4.8 Nm(679.87oz.in)
  • Rated Current/phase: 6.0 A
  • Phase Resistance: 0.42 ohms± 10%
  • Inductance: 3.5 mH ± 20%(1KHz)
  • Frame Size: 86 x 86 mm
  • Frame Size: 86 x 86 mm
  • Body Length: 80 mm
  • Shaft Diameter: Φ14 mm
  • Shaft Length: 37 mm
  • Keyway Shaft Length: 25 mm
  • Number of Leads: 4
  • Lead Length: 500 mm
  • Weight: 2.3 kg

 

Conexiune

A+ A- B+ B-
Red Green Yellow Blue
     
       
Informatii conformitate produs
Daca doresti sa iti exprimi parerea despre acest produs poti adauga un review.

Review-ul a fost trimis cu succes.

Compara produse

Trebuie sa mai adaugi cel putin un produs pentru a compara produse.

A fost adaugat la favorite!

A fost sters din favorite!